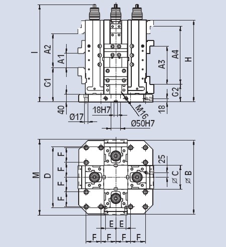
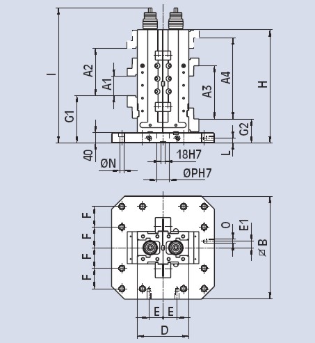
NC Hochdruckspanner
 

Der Grundkörper besteht aus hochwertigem Sphäroguss, die Backen aus gehärtetem Einsatzstahl.

Die hauptsächlichen Vorteile sind:

  • Sehr praktischer und bediener- freundlicher Transport durch die mitgelieferten Ringschrauben
     
  • Patentiertes Backenschnellwechsel-System (CLAK-System) zum sekundenschnellen Wechseln von Parallelleisten, Prismenbacken, weichen Backen und Sonderbacken
     
  • mechanisches Präzisions-Kraftübersetzungs-System patentiert (Kniehebelprinzip)
     
  • alle geometrischen Maß-Toleranzen im Hundertstel (siehe Seite 12)
     
  • totale und hermetische Vollkapselung der Spindel gegenüber Kühlmittel und Späne
     
  • Spannkraftvorwahl mittels Einstellring und Antriebseinheit für die Spannweiteneinstellung
    1000 kg; 2000 kg;
    3000 kg; 4000 kg.
     
  • Schmiernippel nach UNI 7663 für zentrale Schmierung von Schlitten und Führung
     
  • Austrittsöffnung für Kühlmittel (Labyrinth-Dichtung)
Klicken zur Großansicht
Klicken zur Großansicht

 
 
Anwendungsbeispiel
 
Klicken zur Großansicht


weitere Informationen

NCN Hochdruckspanner (pdf)
Clamping vise with mechanical/mechanical clamping force multiplier NCN (pdf)

 
 
 
  © 2001 - 2012 msztools GmbH & Co. KG